RCD22 Funk-Steuerung serielle Schnittstelle
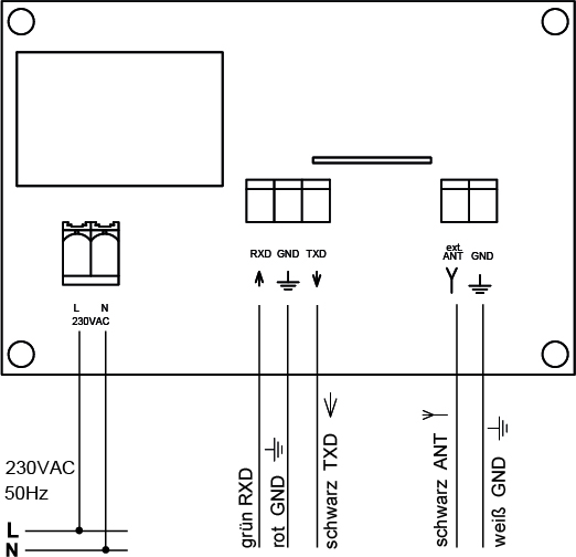
Der RCD22 sendet und empfängt Easywave-Telegramme. Die Ansteuerung erfolgt über eine RS232-Schnittstelle im HEX-Format.
Die Steuerungs- und Auswertungssoftware ist vom Anwender zu erstellen.
Bei ungünstigen Umgebungsbedingungen kann für einen verbesserten Funkempfang die externe Antenne ACC-ANT50-03-21P angeschlossen werden. Diese ist nicht im Lieferumfang enthalten und kann gesondert bestellt werden.
Bei ungünstigen Umgebungsbedingungen kann für einen verbesserten Funkempfang die externe Antenne ACC-ANT50-03-21P angeschlossen werden. Diese ist nicht im Lieferumfang enthalten und kann gesondert bestellt werden.
Technische Daten
| Codierung | Easywave |
| Frequenz | 868,30 MHz |
| Kanäle | 1 |
| Spannungsversorgung | 230 V AC, 50 Hz |
| Leistungsaufnahme | 1,5 W Stand by |
| Ausgang | RS232-Schnittstelle |
| Schutzart | IP66 (im Auslieferungszustand) |
| Betriebstemperatur | -20 °C bis +60 °C |
| Abmessungen (B/L/H) | 130/94/57 mm |
Lieferumfang
- Funk-Steuerung
- Befestigungsmaterial
- Bedienungsanleitung
Zubehör (optional)
| ACC-ANT50-03-21P | Externe Antenne, 868MHz, 5m Koaxkabel, Klemmenanschluss, Magnetfuß |

ACC-ANT50-03-21P
Ausführungen
| Produktnummer | Beschreibung |
|---|---|
| RCD22E5001A02 | Funk-Steuerung, Easywave, 230V, RS232 Schnittstelle |
Anschlussplan


Instagram
LinkedIn